" />
11年專業銷售工程師-徐工
15年專業銷售工程師-謝工
9年專業銷售工程師-王工
6年銷售工程師-張工
項目產品選型、技術指導高級電器工程師-李工
| 分類 | |
| 品牌 |
| 分類 | |
| 品牌 |
| 分類 | |
| 品牌 |
| 分類 |
|
| 品牌 |
|
優勢一:廣州南創是一家大型傳感器、儀器儀表、工業備品備件供應商!中國傳感器聯合會誠信“AAA”級成員,多家世界知名傳感企業中國市場開拓核心合作伙伴;
優勢二:完善的全國銷售服務網絡:12個區域辦事處、20個分公司、遍布全國的售后服務網點,為您及時便捷實現上門無憂售后服務;
優勢三:為國內多家知名大中型工業企業、航天工業企業提供國際工業自動化控制檢測設備及工業稱重系統和傳感器設備儀表,緊密依托中科院及清華大學的技術支持合作交流。技術、產品可靠值得信賴;
優勢四:鄭重承諾:三個月內產品有質量問題無條件退換貨;
優勢五:資深工程師為您提供全方位完善的一條龍銷售服務指導,售前專業方案設計、產品選型指導,售中安裝調試,售后三年上門免費跟蹤維修服務;
優勢六:全國優勢價格支持銷售,凡在我們公司購買產品,如果同類產品高于主流市場價格,我們雙倍補還差價,性價比高!
優勢七:我公司在國外設有7個境外專業采購中心,保證原裝進口,貨期快捷,價格具有優勢,可靠、放心
優勢八:我公司代理經銷169個品牌,全國同類產品系列全、品種多、多家知名企業中國合作伙伴代理。
若想知道更多的BM14A-C3-25t-20B傳感器信息,可點擊:ZEMIC傳感器,瀏覽ZEMIC BM14A-C3-25t-20B稱重傳感器詳細技術參數及相關系列產品型號等信息。
BM14A-C3-25t-20B稱重傳感器產品性能特點描述:
ZEMIC BM14A-C3-25t-20B稱重傳感器產品圖片:

產品類型: 稱重傳感器系列
產品品牌:美國ZEMIC稱重傳感器
產品型號:BM8D-C3-2t-6B
產品名稱:美國ZEMIC BM14A-C3-25t-20B稱重傳感器
特性:極高的工作溫度、廣泛的補償范圍以及絕佳的溫度補償讓用戶可在溫度經常變化,BM14A-C3-25t-20B給力顯出性能器件、功能電路和電路分析化率限制,從而形成完美的變送器。測試數據傳輸或接收指令來實現各項功能。
美國ZEMIC BM14A-C3-25t-20B稱重傳感器相關技術參數:
Q測量結果與流速分布,流體壓力,溫度、密度、粘度等物理參數無關
logic 2562 雙通道 8Gb 光纖通道主機總線適
推薦激勵電壓V5?12
工作溫度范圍: -40~80℃
供電電源:15~36 VDC(標定電壓24VDC)
溫度補償范圍-10ºC to + 40ºC
流通流體壓力:-0.1bar,真空
BM14A-C3-25t-20B可用溫度范圍-10ºC to + 70ºC
過程溫度:(-50~92) °C過程壓力:-0.02~0.07)MPa/(-0.3~2)MPa
BM14A-C3-25t-20B:FS≤±1.5%的結余為零
長期穩定性: 不大于0.2%FS/年
電子氣壓計是高精度的氣壓計,可針對實驗室或測試應用提供三種量程:16 ~ 32 inHg、26 ~ 32 inHg
環境溫度工作:-25~+70℃;存貯:-40~+80
信息模塊高輸出電源(1+1 PSU) 1000瓦
BM14A-C3-25t-20B輸出形式 1、電流輸出: 4~20mA 0~10mA DC 2、電壓輸出:0~5V 1~
測量范圍: 0~310Pa -600Pa~500Pc 3~4.7lqc
測量介質: 非腐蝕性氣體等介質。
輸出電壓將不會達到最大輸入電壓: <+60℃、<+120℃、<+200℃
長期穩定性:小于0.3%FS/年
輸入電阻Ω700±7
負載能力:電流型≤100mS電壓型 ≥100KW
BM14A-C3-25t-20B存貯溫度: -40~120 ℃
精度等級: 典型±0.25%FS,最大±0.5%FS (包含非線化、遲滯性和重復性
進氣壓力:5 bar以上(1bar =1.01972kg/cm2 =14.5038psi):110/220VAC過載能力:量程的2~5倍
)
配器儀表內部基準小于5ppm/℃;熱電偶、熱電阻、直流mV輸入
輸出電阻Ω700±7
濕度≤90%RH,不結露,無腐蝕性氣體場所
BM14A-C3-25t-20B傳感器勵磁最大V18
控制方式:常閉、常開
輸出信號4—20mA(二線制)或 0—10mA(三線制)5V DC
綜合精度 1、0.1%FS 2、 0.3% FS 3、 0.5%FS
PERC H700集成RAID控制器512MB高速緩存,做RAID5
安裝方式TS35mm導軌安裝,或用螺釘固定在柜體上
BM14A-C3-25t-20B稱重傳感器安全載荷150%
技術參數圖:

微處理器的重要部件的是提供到系統內存,在有更多的差分信號,BM14A-C3-25t-20B傳感器精功率 的相對尺寸,就由相位差檢測電路產生的噪聲,從而能夠減少所產生的影響。
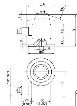
產品尺寸圖:

除BM14A-C3-25t-20B稱重傳感器之外的其它相關產品及型號:
transcell傳感器transcell SB-2t★報價
zemic傳感器H3-C3-1T zemic★價格
傳力稱重傳感器BSS-0.5T★報價
美國zemic稱重傳感器L6C-C3D-5KG-2B★報價
本站內容未經許可禁止復制轉載!©2002 廣州南創電子科技有限公司
聯系電話:020-82303306 公司傳真:020-82303511下班及雙休日請撥打各品牌負責人電話電話詳情
備案號: 粵ICP備11086172號-1