UMM1-50kg
mJM廣州南創電子科技有限公司
【廣州南創中國正式一級總銷售商商】銷售
日本NMB稱重傳感器,提供日本NMB
UMM1-50kg傳感器,UMM1-50kg系列產品價格、參數規格、安裝說明的資訊及服務,
日本NMB傳感器原裝正品,7折價格優惠,歡迎來電咨詢!電話:020-82303306 我們鄭重承諾:“日本NMB產品質保一年(三個月內出現質量問題隨時無條件退換貨,退還全部貨款)。
產品型號:【UMM1-50kg】日本NMB稱重傳感器UMM1-50kg_UMM1-50kg傳感器
產品系列:UMM1-50kg
產品品牌:NMB稱重傳感器,日本NMB傳感器
產品類型:彎曲梁稱重傳感器 彎曲梁稱重傳感器
產品特點:
在雙向拉伸載荷細胞緊湊輕量的壓縮,它是所有不銹鋼。
UMM1R:機械電纜(6M)
UMM1J:接頭規格,電纜單獨出售(RC019-6M)
日本NMB單點式稱重傳感器
BCL-300GM-A BCL-600GM-A BCL-1.2K-A BCL-1.5K-A BCL-3K-A BCL-4.5K-A
CB17-600G-11 CB17-1K-11 CB17-2K-11 CB17-3K-11
C2G1-6K-A C2G1-10K-A C2G1-12K-A C2G1-15K-A C2G1-20K-A C2G1-25K-A C2G1-30K-A C2G1-35K-A C2G1-50K-A
日本NMB柱式稱重傳感器
CC010-500K CC010-1T CC010-2T CC010-3T CC010-5T CC010-10T CC010-20T CC010-30T CC010-50T
C3B1-200K-NS C3B1-300K-NS C3B1-500K-NS C3B1-1T-NS C3B1-2T-NS C3B1-3T-NS C3B1-5T-NS
日本NMB張力傳感器
TCP1-50K TCP1-100K TCP1A-200K TCP1-300K TCP1-500K TCP1-1T TCP1-2T TCP1-3T TCP1-5T TCP1-10T TCP1-20T
U3S1-100K-NS U3S1-200K-NS U3S1-500K-NS U3S1-1T-NS U3S1-2T-NS U3S1-5T-NS
UMM1-50KG UMM1-100KG UMM1-200KG UMM1-500KG UMM1-1T UMM1-2T
產品參數:
|
額定容量 |
490.3 N {50 kgf}移動�9�119.61千牛{2 TF} |
|
安全過載 |
150%RC |
|
限制過載 |
200%RC |
|
額定輸出 |
2毫伏/ V±0.01毫伏/ V |
|
非線性度 |
0.15%RO |
|
滯后 |
0.1%RO |
|
重復性 |
0.05%RO |
|
推薦激勵電壓 |
≤12 V |
|
最大外加電壓 |
18 V |
|
余額為零 |
±0.06毫伏/ V |
|
輸入電阻 |
425Ω±50Ω |
|
輸出電阻 |
350Ω±5Ω |
|
絕緣電阻 |
2 000MΩ以上(DC50 V)(主體之間的橋梁和) |
|
溫度補償范圍 |
-10℃�9�170℃ |
|
允許溫度范圍 |
-20℃�9�180℃ |
|
溫度的影響為零 |
0.05%RO/10℃ |
|
輸出溫度影響 |
0.1%LOAD/10℃ |
|
電纜 |
φ6.3,4芯屏蔽3米,直接壓接端子,Y形尖mJM廣州南創電子科技有限公司
(UMM1R-50K�9�12T:機器人電纜(6M)與) |
|
防護等級 |
IP67 |
|
應變體材料 |
不銹鋼 |
|
疲勞壽命 |
額定容量的1 000 000次 |
|
 |
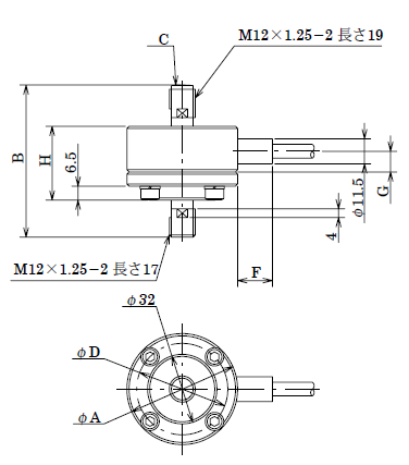
外形尺寸圖:mJM廣州南創電子科技有限公司
mJM廣州南創電子科技有限公司
選型表:mJM廣州南創電子科技有限公司
|
型式 |
定格容量 |
ΦA |
B |
C |
ΦD |
F |
G |
H |
定格變位量 |
固有振動數(Hz) |
質量(約kg) |
|
UMM1-50K |
490.3N{50kgf} |
51 |
70 |
SR50 |
42 |
16 |
9.5 |
34 |
0.15 |
3600 |
0.6 |
|
UMM1-100K |
980.7N{100kgf} |
0.10 |
5000 |
|
UMM1-200K |
1.961KN{200kgf} |
0.07 |
6000 |
|
UMM1-500K |
4.903KN{500kgf} |
51 |
70 |
SR50 |
42 |
16 |
9.5 |
34 |
0.07 |
7000 |
|
UMM1-1T |
9.807KN{1tf} |
0.05 |
10000 |
|
UMM1-2T |
19.61KN{2tf} |
0.05 |
10000 |
日本NMB稱重傳感器UMM1-50kg 用于防止吊車過負載造成的倒塌。測定用ROBABARU型加載:
BCL 適用于低需求量、大面積的測定。
CB17 適用于低需求量、小型的測定。
C2G1 適用于中需求量、薄型的測定。
CB004 適用于中需求量、大面積的測定。
CB14 高需求量、OIML認可品。
U2D1 適用于中需求量、大面積的測定。
C2D1 高需求量、多方面都可使用。
CB030 不銹鋼制單點加載裝置 力學傳感器:
FSA 不銹鋼制
FSI 鋁合金制
日本NMB稱重傳感器FSU 鋁合金制、ROBABARU型 特殊用途加載裝置:
UMM1-50kg 是薄型的壓縮拉伸兩用加載裝置,耐橫向荷重的均攤式結構。
LSM-B 小型、輕量的加載裝置。
C1W1M 適合于中心孔型、射出成形器。
L 適用于微小負載、線張力測定等。
UT 適用于微小負載、線張力測定等。
其它相關日本NMB稱重傳感器熱門型號推薦: