11年專業銷售工程師-徐工
15年專業銷售工程師-謝工
9年專業銷售工程師-王工
6年銷售工程師-張工
項目產品選型、技術指導高級電器工程師-李工
| 分類 | |
| 品牌 |
| 分類 | |
| 品牌 |
| 分類 | |
| 品牌 |
| 分類 |
|
| 品牌 |
|
優勢一:廣州南創是一家大型傳感器、儀器儀表、工業備品備件供應商!中國傳感器聯合會誠信“AAA”級成員,多家世界知名傳感企業中國市場開拓核心合作伙伴;
優勢二:完善的全國銷售服務網絡:12個區域辦事處、20個分公司、遍布全國的售后服務網點,為您及時便捷實現上門無憂售后服務;
優勢三:為國內多家知名大中型工業企業、航天工業企業提供國際工業自動化控制檢測設備及工業稱重系統和傳感器設備儀表,緊密依托中科院及清華大學的技術支持合作交流。技術、產品可靠值得信賴;
優勢四:鄭重承諾:三個月內產品有質量問題無條件退換貨;
優勢五:資深工程師為您提供全方位完善的一條龍銷售服務指導,售前專業方案設計、產品選型指導,售中安裝調試,售后三年上門免費跟蹤維修服務;
優勢六:全國優勢價格支持銷售,凡在我們公司購買產品,如果同類產品高于主流市場價格,我們雙倍補還差價,性價比高!
優勢七:我公司在國外設有7個境外專業采購中心,保證原裝進口,貨期快捷,價格具有優勢,可靠、放心
優勢八:我公司代理經銷169個品牌,全國同類產品系列全、品種多、多家知名企業中國合作伙伴代理。
HBM稱重傳感器RTN0.05/68T稱重傳感器詳細信息請點擊:德國HBM稱重傳感器查看最新報價,提供選型服務。
【廣州★南創】公司:有賣德國HBM RTN0.05/68T 稱重傳感器生產廠家價格【中國一級★經銷商】,RTN0.05/68T傳感器多少錢打020-82303306供應商 電話了解信息,現貨原裝進口、保證滿意!
RTN0.05/68T稱重傳感器是本公司的重點優勢產品之一,擁有絕對優勢價格,現貨、原裝、正品、可靠!保證滿意價格質量!
產品品牌:德國HBM RTN0.05/68T稱重傳感器
產品類別:德國HBM鈕環式稱重傳感器
產品系列:HBM稱重傳感器RTN0.05/68T系列
產品價格:電議或面議

德國HBM RTN0.05/68T稱重傳感器技術指標:
最大輸出 2,85mV/V
最小的應用范圍 Y = 20,000
低功耗
輸入電阻 4,400 ohms
橫向力對測量值影響很小lowest
貿易認證型號,符合 OIML R60 標準
精度等級 C3, C4, C5, C3MI, C4MI 有 PTB 測試證書 D09-00.24
信號輸出 2.85 mV/V
輸入電阻 ≥4350 Ω
防爆型號可選,符合 ATEX 95
額定負載 1 t / 2,2 t / 4,7 t / 10 t / 15 t /22 t / 33 t / 47 t / 68 t / 100 t / 150 t / 220 t / 330 t / 470 t
精度等級:0,05, C3
認證:OIML, NTEP, ATEX 95, GOS
保護等級:EMC 認證
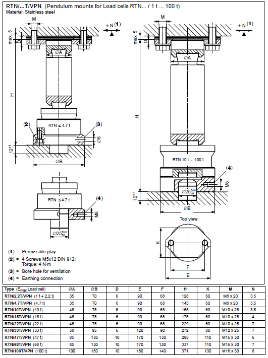
德國HBM RTN0.05/68T稱重傳感器選型圖:



德國HBM RTN0.05/68T 稱重傳感器主要特性:
材料:不銹鋼材質
貿易認證,符合 OIML
等級:IP 68保護等級
HBM 稱重傳感器在歐洲獲得廣泛認證
可以用于惡劣的環境中
HBM RTN0.05/47t稱重傳感器廣泛應用于平臺秤,汽車衡和過程稱重等工業領域。
德國HBM RTN0.05/68T 稱重傳感器所有型號:
HBM稱重傳感器RTN0.05/1T-4.7T
德國HBM RTN0.05/10T/15T
RTN0.05/22T稱重傳感器
德國HBM稱重傳感器RTN0.05/33T
HBM RTN0.05/47T
RTN0.05/100T稱重傳感器RTN0.05/100T
RTNC3/1T-4.7T稱重傳感器RTNC3/1T-4.7T
德國HBM RTNC3/10T/15T稱重傳感器RTNC3/10T/15T
RTNC3/22T稱重傳感器hbm
RTNC3/33T hbm稱重傳感器
德國hbm RTNC3/47T
RTNC3/68T德國hbm
hbm稱重傳感器RTN C3/100T
HLCB1C3系列稱重傳感器其他相關型號及量程具體詳細信息:
RTN0.05/47T 請點擊:RTN0.05/47T稱重傳感器
RTN0.05/1T 請點擊: RTN0.05/1T稱重傳感器
RTN0.05/2.2T 請點擊:RTN0.05/2.2T 稱重傳感器
RTN0.05/4.7T 請點擊:RTN0.05/4.7T稱重傳感器
RTN0.05/10T 請點擊:RTN0.05/10T稱重傳感器
如果您對RTN0.05/68T稱重傳感器現貨、價格、產品資料、圖片、貨期、發貨方式、HBM RTN0.05/68T稱重傳感器技術參數有什么疑問,請 我們中國正式一級銷售商獲取德國HBM RTN0.05/68T稱重傳感器最新信息
歡迎來電咨詢專業負責原裝進口RTN0.05/68T傳感器相關負責工程師,
本站內容未經許可禁止復制轉載!©2002 廣州南創電子科技有限公司
聯系電話:020-82303306 公司傳真:020-82303511下班及雙休日請撥打各品牌負責人電話電話詳情
備案號: 粵ICP備11086172號-1