11年專業銷售工程師-徐工
15年專業銷售工程師-謝工
9年專業銷售工程師-王工
6年銷售工程師-張工
項目產品選型、技術指導高級電器工程師-李工
| 分類 | |
| 品牌 |
| 分類 | |
| 品牌 |
| 分類 | |
| 品牌 |
| 分類 |
|
| 品牌 |
|
優勢一:廣州南創是一家大型傳感器、儀器儀表、工業備品備件供應商!中國傳感器聯合會誠信“AAA”級成員,多家世界知名傳感企業中國市場開拓核心合作伙伴;
優勢二:完善的全國銷售服務網絡:12個區域辦事處、20個分公司、遍布全國的售后服務網點,為您及時便捷實現上門無憂售后服務;
優勢三:為國內多家知名大中型工業企業、航天工業企業提供國際工業自動化控制檢測設備及工業稱重系統和傳感器設備儀表,緊密依托中科院及清華大學的技術支持合作交流。技術、產品可靠值得信賴;
優勢四:鄭重承諾:三個月內產品有質量問題無條件退換貨;
優勢五:資深工程師為您提供全方位完善的一條龍銷售服務指導,售前專業方案設計、產品選型指導,售中安裝調試,售后三年上門免費跟蹤維修服務;
優勢六:全國優勢價格支持銷售,凡在我們公司購買產品,如果同類產品高于主流市場價格,我們雙倍補還差價,性價比高!
優勢七:我公司在國外設有7個境外專業采購中心,保證原裝進口,貨期快捷,價格具有優勢,可靠、放心
優勢八:我公司代理經銷169個品牌,全國同類產品系列全、品種多、多家知名企業中國合作伙伴代理。
【廣州★南創】RHM0035MD701S2G1106位移傳感器曲線玲瓏,端莊典雅,價優質美,令您好擁有涼爽的感受,輕盈、柔和、大方的美國MTS位移傳感器RHM0035MD701S2G1106展示出你個人的風格;RHM0035MD701S2G1106傳感器柔和的美感,舒適的服務,全面的技術支持,還您新一個自己。
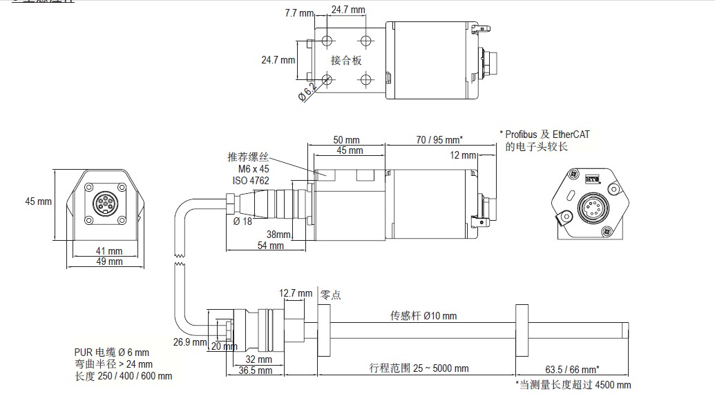
RHM0035MD701S2G1106位移傳感器產品圖片:
品牌:美國MTS位移傳感器
產品類型:RHM0035MD701S2G1106 位移傳感器
產品型號:RHM0035MD701S2G1106
RHM0035MD701S2G1106位移傳感器特性:
堅固可靠工業用位移傳感器
直線測量輸出
LEO指示燈診斷功能
無接觸測量,沒有磨損
超高的精度,線性度達0020/.
重復精度達OO010/.
直接輸出位置和速度,輸出模式
模擬/SSI' CA№us J Profibus-DP/EtherCAT
多重位置測量單一傳感器最多可測20個位置輸出
RH4型是MTS 2000年推出的最新型號用以取代日的RH (SS輸出)和RH3(Profibus輸出)。RH4的輸出模式I司時耵擎模擬,CANbus,DeviceNel,Profibus,EtherCAT等。它也可以取替現有的LD與LD2型帶模擬輸出傳感器
RH4犁是-個在最苛刻的環境條件下仍能持續正常運作的理想傳感器。傳感器頭部封裝了完整的電子接口模塊來處理電子信號。雙重灌封保證了高度的操作安全性和最優化的EMC保護。位置測量是通過一個崮定在運動機械部分的7X磁鐵,沿著傳感刪桿做無接觸運動來感應。

美國MTS RHM0035MD701S2G1106位移傳感器參數:
參數 位置或速度
輸入 多位置測量,單傳感器最多叮洲20個位置
輸出 測量數據 測量范同25 mm - s000 mm
界面 模擬:滿量程的0 01%1數+#:‘±10 U…
分辨率 根據輸出不同
線性度 滿量程的‘±O 0011/o(最小±25iJm)
重復精度 滿量程的‘i002%(最小±50 pm)
滯后 <4Um
工作條件
磁鐵速度 電子鄙份為IP6/(配對接頭必須鎖緊)
T作溫度 40度+75 0C
濕度/露電 濕度90%,不能結露
保護 IP65裝有側面線纜連接部的測量桿
IP30裝有底卣平板連接頭的刪量桿
沖擊指標 100 9(單沖擊)/IEC標準68 2 27
振蕩指標 10 q』100 2000 Hz/ IEC標準68_2_6
故障指不 LEO顯而燈置j接火旁邊
傳感器又 鈄擠址成型
傳感桿和法蘭 不銹鋼1 4301/AISI 304
外管壓山 350 bar/ 700 bar(峰值)
位置磁鐵 環形磁銑
接頭選掣 接頭或直出電纜(按輸出而定)
輸入電壓 +24 Vdc C-15 +201/eol
極性倮護 最大30 Vdc
趟壓倮護 最大36 Vdc
耗電量 般100 mA
波動 <1% ss
RH4型適合安裝于油缸內·特別適用于兩端都帶u形吊環的油缸,或者受空司限制的油缸應用RHM0035MD701S2G1106位移傳感器的組成部分包括一條帶有螺紋或緊壓密封安裝法蘭的耐壓不銹鋼管,它為感應元件提供保護。整支傳感桿通過括塞孔裝入活塞內。外部連接的電于頭(達IP 67防護等級)將傳感器信號處理部份和接口部分封裝在內,與感應桿的連接可通過接合板側面或底商的電纜進線。EMC i刪試-放射EN 50081-1,拉擾EN 500822,EN 61000_4-2rV4/6.等緞W4.A黃,CE認訌
RHM0035MD701S2G1106位移傳感器的相關型號:
RHM0035MD701S2G1106 RHM0035MD701S2G1106 RHM0035MD701S2G1106
RHM0035MD701S2G1106 RHM0035MD701S2G1106 RHM0300MD621C1012
RH-M-0450M-D70-1-S2G6106 RH-M-0300M-D70-1-S2G106 RH-M-0200M-D70-1-S2G106
RH-M-0090M-D70-1-S2G106 RH-M-0350M-D70-1-S2G106 ARS60-AAA08192
ARS60-AAA08192編碼器 K3SG463H701/711:11K46HHTED150K46HHTED750K46HHTED1Cbs
K3SG463H706:5C46HHTED10Cbs K3SG463H716:5C46HHTED10C46HHTED50C46HHTED11Cbs
K3SG463H111/1011:1C46HHTED5C46HHTED10C46HHTED 31MMZW24H,51MMZW24H,
K3SG463H1106/1116:5C46HHTED10C46HHTED50C46HHTED 150MMZW24H,61MMZW
K3SG463H1103/1113:5C46HHTED10C46HHTED50Cbs 750MMZW24H,
K3SG463H123/613:15MMZW24H,50MMZW24H,11MMZW24H,61MMZW24H,51MMZW24H,,
K3SG463H124/614:15MMZW24H,50MMZW24H,11MMZW24H,61MMZW24H,51MMZW24H,
K3SG463H703:10MMZW24H,15MMZW24H,50MMZW24H,75MMZW24H,11MMZW24H,24H,
IFS302:15I,25I,35I,1HR463NH,2HR463NH,3HR463NH IFS304:15I,25I,35I,35I,2HR463NH,3HR463NH,10HR463NH,20HR463NH,30HR463NH
IFS303/313:15I,25I,35I,1HR463NH,2HR463NH,10HR463NH,20HR463NH,30HR463NH
3SG463HWY6:100Mb,60Mb,500Mb,750Mb,1KMb,2KMb,3KMb,5KMb,10KMb,6KMb
K3SG463HF911-13:130MMZW24H K3SG463HF901-16:61MMZW24H K3SG463HFWD:1MMZW24H,6MMZW24H,5MMZW24H,10MMZW24H,12MMZW24H,50MMZW24H,
11MMZW24H,61MMZW24H ED40H36DSHs K3SG463H115:150K46HHTED51K46HHTED1H36DSHs
K3SG463HU3SG463H:11MMZW24H,150MMZW24H,51MMZW24H,1Cb,6.5H36DSH K3SG463HUW:11MMZW24H,150MMZW24H,51MMZW24H,1H36DSH,6H36DSH,6H36DSH,10H36DSH
K3SG463H101:15K46HHTED50K46HHTED11K46HHTED61K46HHTED150K46HHTED51K46HHTE
D1C46HHTED6C46HHTED6.5C46HHTED3C46HHTED5C46HHTED10C46HHTED12C46HHTED15C46
HHTED30C46HHTK3SG463H105:15K46HHTED50K46HHTED11K46HHTED61K46HHTED150K46HHTED51K46HHTED1H36DS
手握美國MTS RHM0035MD701S2G1106位移傳感器,好運自然來! 萬般皆下品,惟有南創RHM0035MD701S2G1106傳感器高!離鄉背井冷清清,回家過年是一定;MTS RHM0035MD701S2G1106位移傳感器送給您一片溫暖,獻給您一片深情!
本站內容未經許可禁止復制轉載!©2002 廣州南創電子科技有限公司
聯系電話:020-82303306 公司傳真:020-82303511下班及雙休日請撥打各品牌負責人電話電話詳情
備案號: 粵ICP備11086172號-1