MDB-50t稱重傳感器 世銓celtron
美國vishay celtron MDB-50t傳感器更多產品詳細資料請點擊:美國威世世銓稱重傳感器,進入頁面可查找vishay celtron傳感器型號、vishay celtron 稱重傳感器技術參數選型資料,以及威世世銓傳感器具體安裝技術指導信息。qgw廣州南創電子科技有限公司qgw廣州南創電子科技有限公司名稱:美國威世世銓vishay celtron稱重傳感器MDB-50t
qgw廣州南創電子科技有限公司品牌:美國世銓celtron
qgw廣州南創電子科技有限公司供應商:
廣州南創電子科技有限公司qgw廣州南創電子科技有限公司qgw廣州南創電子科技有限公司購買美國威世世銓vishay celtron MDB-50t稱重傳感器請務必認準【廣州★南創】銷售商官網,全國服務電話:020-82303306,我們鄭重承諾:“三個月內不滿意隨時無條件退換貨,退還全部貨款,不收任何費用,質保兩年,提供終身免費維護!”qgw廣州南創電子科技有限公司產品型號:MDB-50t稱重傳感器
qgw廣州南創電子科技有限公司產品系列:MDB稱重傳感器
qgw廣州南創電子科技有限公司產品規格:多規格
qgw廣州南創電子科技有限公司
qgw廣州南創電子科技有限公司美國vishay celtron MDB-50t稱重傳感器特點:qgw廣州南創電子科技有限公司橋式稱重傳感器
qgw廣州南創電子科技有限公司負載能力高, 抗偏載能力強
qgw廣州南創電子科技有限公司鋼制材料,無電鍍鍍鎳合金
qgw廣州南創電子科技有限公司防護等級IP68,可選密封性
qgw廣州南創電子科技有限公司可選FM相關認證
qgw廣州南創電子科技有限公司量程范圍:10t,20t,25t,30t,40t,50t
qgw廣州南創電子科技有限公司應用:車輛/鐵路稱重用,筒倉、漏斗、箱灌等稱重用
qgw廣州南創電子科技有限公司qgw廣州南創電子科技有限公司美國威世世銓 MDB-50t稱重傳感器系列量程:qgw廣州南創電子科技有限公司美國世銓celtron稱重傳感器MDB-10T
qgw廣州南創電子科技有限公司美國世銓celtron稱重傳感器MDB-20T
qgw廣州南創電子科技有限公司美國世銓celtron稱重傳感器MDB-25T
qgw廣州南創電子科技有限公司美國世銓celtron稱重傳感器MDB-30T
qgw廣州南創電子科技有限公司美國世銓celtron稱重傳感器MDB-40T
qgw廣州南創電子科技有限公司美國世銓celtron稱重傳感器MDB-50t
qgw廣州南創電子科技有限公司 qgw廣州南創電子科技有限公司美國vishay celtron稱重傳感器MDB-50t產品技術參數:qgw廣州南創電子科技有限公司
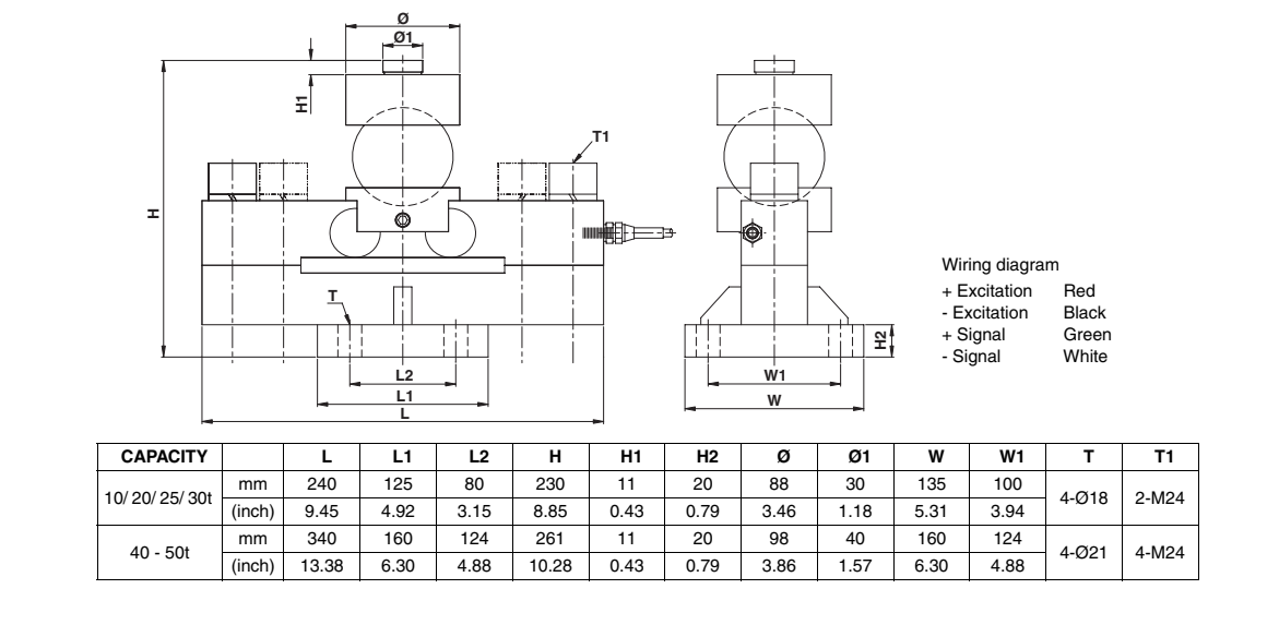
qgw廣州南創電子科技有限公司qgw廣州南創電子科技有限公司美國vishay celtron稱重傳感器MDB-50t產品尺寸圖:qgw廣州南創電子科技有限公司
qgw廣州南創電子科技有限公司qgw廣州南創電子科技有限公司美國vishay celtron稱重傳感器相關型號:qgw廣州南創電子科技有限公司MDB-10T MDB-20T MDB-25T MDB-30T MDB-40T MDB-50t
稱重傳感器 MBB-75kg傳感器 LPS-3KGAT傳感器 MBB-250kg傳感器 STC-250kg傳感器 LPS-2kg傳感器 stc-5t傳感器 MDBD-20T傳感器 LPS-3kg傳感器 LOC-50kg傳感器 STC-250kgXS傳感器 STC-5kg傳感器 SQB-1.5tSS傳感器 MDB-10000kg傳感器 SQB-250kgSS傳感器 STC-50kg傳感器 SEB-2000kg傳感器 SEB-2.5T傳感器 MDBD-25T傳感器 sqb-2t傳感器 LPS-1kg傳感器 SEB-2500kg傳感器 STC-200kg傳感器 STC-2.5tSS傳感器 STC-10tSS傳感器 loc-75kg傳感器 LPS-0.6kg傳感器 STC-100kgXS傳感器 STC-10kg傳感器 PSD-2.5t稱重傳感器 SEB-2.5T稱重傳感器 SQB-500kg傳感器 MDB-H-20000kg傳感器 SEB-1.5T傳感器 SQB-H-2T傳感器 LPS-200kg傳感器 LPS-15kg傳感器 STC-10tSS稱重傳感器 SQB-1tSS稱重傳感器 loc-5kg傳感器 STC-2tSS傳感器 MDB-20t傳感器 SQB-2tSS傳感器 stc-5t稱重傳感器 MDB-10t傳感器 STC-100kgXS稱重傳感器 STC-200kg稱重傳感器 STC-2.5t傳感器 LCD-30klb稱重傳感器 SQB-1.5T稱重傳感器 SQB-H-5T稱重傳感器 STC-75kg稱重傳感器 SQB-H-2T稱重傳感器 SQB-0.5t傳感器 SQB-5t傳感器 PSD-5t稱重傳感器 SQB-H-500kg稱重傳感器 STC-500kg稱重傳感器 LPS-3kg稱重傳感器 loc-100kg稱重傳感器 MDB-40t稱重傳感器 LPS-20kg稱重傳感器 STC-2t稱重傳感器 SQB-5t稱重傳感器 STC-750kgSS稱重傳感器 LPS-0.6kg稱重傳感器 MDBD-25T稱重傳感器 SQB-500kg稱重傳感器 STC-500kgSS稱重傳感器 STC-750kg稱重傳感器 SQB-1500KG稱重傳感器 PSD-10000kg稱重傳感器 MDB-H-50000kg稱重傳感器 MBB-125kg稱重傳感器 SEB-2500kg稱重傳感器 STC-50kgSS稱重傳感器 LOC-1000kg稱重傳感器 MBB-250lb傳感器 MOD-30TD傳感器 SQB-2T稱重傳感器 LPS-5kg稱重傳感器 STC-2000KG稱重傳感器 LOC-635kg稱重傳感器 LOC-5kg稱重傳感器 MBB-25kg傳感器 STC-50kgXS稱重傳感器 SQB-2tSS稱重傳感器 LCD-25klb傳感器 HCD-10t稱重傳感器 STC-5000KG稱重傳感器 STC-1000KG傳感器
qgw廣州南創電子科技有限公司qgw廣州南創電子科技有限公司其他品牌產品推薦如下:qgw廣州南創電子科技有限公司Laumas稱重傳感器qgw廣州南創電子科技有限公司SUNCELLS稱重傳感器qgw廣州南創電子科技有限公司 Revere稱重傳感器qgw廣州南創電子科技有限公司Zemic稱重傳感器qgw廣州南創電子科技有限公司tedea稱重傳感器qgw廣州南創電子科技有限公司柯力稱重傳感器qgw廣州南創電子科技有限公司utilcell稱重傳感器qgw廣州南創電子科技有限公司自動化稱重配料控制系統qgw廣州南創電子科技有限公司自動配料系統qgw廣州南創電子科技有限公司稱重顯示控制儀表qgw廣州南創電子科技有限公司qgw廣州南創電子科技有限公司美國vishay celtron稱重傳感器MDB-50t相關知識拓展閱讀:qgw廣州南創電子科技有限公司美國世銓celtron MDB 50t MDB50t稱重傳感器只要嚴格保證三個或四個雙曲面壓力頭的安裝精度,整個電子衡器的精度就容易得到保證。 采用的三個或四個雙曲面球型壓力頭與單曲面球型結構的組合多個稱重傳感器的電子衡器,這種電子衡器可以利用三個或四個雙曲面球型壓力頭起到承重臺的定位作用,而使用的單曲面球型壓力頭的上壓頭的底面為平面,不論是由于安裝位置所引起的誤差,還是由于溫度變化引起的承重臺面的脹、縮、則都能保證其鋼球頂點至承重臺底面的高度,從而保證其大型電子衡器的計量精度.
qgw廣州南創電子科技有限公司qgw廣州南創電子科技有限公司vishay celtron稱重傳感器性能指標在很大程度上決定了稱重設備的精確度和穩定性。所以需要對稱重傳感器的術語定義有一個基本的了解。根據中華人民共和國國家計量檢定規程“稱重傳感器”中規定,稱重傳感器的部分術語定義如下: 準確度等級:服從于同一準確度條件的傳感器級別。 分度值:傳感器測量范圍被等分后,一個分度的大小。 輸出:傳感器將被測量(質量)轉換成的可測量。 最小檢定分度數:傳感器測量范圍可以分成的最小檢定分度值(質量)。
qgw廣州南創電子科技有限公司qgw廣州南創電子科技有限公司威世世銓稱重傳感器最大檢定分度數:使傳感器的測量結果不超過最大允許誤差的測量范圍,可分成的最大檢定分度數。 最小靜載荷:可以加到傳感器上的,不超出最大允許誤差的最小質量值。 拉向載荷:施加在傳感器的拉伸力。 壓向載荷:施加在傳感器的壓縮力。 非線性:傳感器的遞增校準曲線與某一直線的偏差。 蠕變:在恒定的載荷下,并且所有的環境條件和其他可變化量保持不變時,傳感器輸出隨時間發生的變化。 最小靜載荷輸出恢復:施加載荷前、后測得的最小靜載荷輸出之差。
qgw廣州南創電子科技有限公司qgw廣州南創電子科技有限公司以上是
美國vishay celtron MDB-50t稱重傳感器產品相關銷售商官網、
MDB-50t稱重傳感器廠家電話、
vishay celtron MDB-50t稱重傳感器型號類別技術參數選型安裝等資料信息,如果有關
vishay celtron傳感器其他相關方面需要,可直接電話聯系
美國vishay celtron MDB-50t傳感器相關負責工程師咨詢020-82303306。
qgw廣州南創電子科技有限公司qgw廣州南創電子科技有限公司【廣州★南創】:
美國世銓MDB-50t稱重傳感器【銷售商】價格好:¥320元。報價、撥打電話020-82303306可了解
美國celtron MDB-50t稱重傳感器廠家中國官網、及產品信息銷售商商、廠家、
MDB-50t傳感器公司、資訊及產品服務。
qgw廣州南創電子科技有限公司