11年專業銷售工程師-徐工
15年專業銷售工程師-謝工
9年專業銷售工程師-王工
6年銷售工程師-張工
項目產品選型、技術指導高級電器工程師-李工
| 分類 | |
| 品牌 |
| 分類 | |
| 品牌 |
| 分類 | |
| 品牌 |
| 分類 |
|
| 品牌 |
|
優勢一:廣州南創是一家大型傳感器、儀器儀表、工業備品備件供應商!中國傳感器聯合會誠信“AAA”級成員,多家世界知名傳感企業中國市場開拓核心合作伙伴;
優勢二:完善的全國銷售服務網絡:12個區域辦事處、20個分公司、遍布全國的售后服務網點,為您及時便捷實現上門無憂售后服務;
優勢三:為國內多家知名大中型工業企業、航天工業企業提供國際工業自動化控制檢測設備及工業稱重系統和傳感器設備儀表,緊密依托中科院及清華大學的技術支持合作交流。技術、產品可靠值得信賴;
優勢四:鄭重承諾:三個月內產品有質量問題無條件退換貨;
優勢五:資深工程師為您提供全方位完善的一條龍銷售服務指導,售前專業方案設計、產品選型指導,售中安裝調試,售后三年上門免費跟蹤維修服務;
優勢六:全國優勢價格支持銷售,凡在我們公司購買產品,如果同類產品高于主流市場價格,我們雙倍補還差價,性價比高!
優勢七:我公司在國外設有7個境外專業采購中心,保證原裝進口,貨期快捷,價格具有優勢,可靠、放心
優勢八:我公司代理經銷169個品牌,全國同類產品系列全、品種多、多家知名企業中國合作伙伴代理。
梅特勒托利多系列產品SBD-40詳細信息,瑞士Mettler Toledo/梅特勒托利多稱重傳感器;以下這編是METTLER TOLEDO SBD-40傳感器具體技術參數及相關系列產品型號等信息。
品牌:梅特勒托利多SBD-40稱重傳感器
名稱:METTLER TOLEDO SBD-40傳感器
型號:SBD-40稱重傳感器
特性:傳感器
量程2-15KG
鋁合金結構
單點秤盤尺寸350MM*350MM
取得OIML R60 2500分度認證
防護等級IP65
有公制和英制螺紋
可選特性:取得EEX ia IIC T4防爆認證 取得FM防爆認證 防護等級IP67
應用:托利多稱重傳感器車輛稱重和重型罐體稱重

梅特勒托利多SBD-40稱重傳感器產品特點:
雙剪切梁式傳感器
綜合精度高
安裝簡單、快速
長期穩定性好
兼容性好
優質合金鋼,表面鍍鎳
防護等級IP67
適用于汽車衡、軌道衡

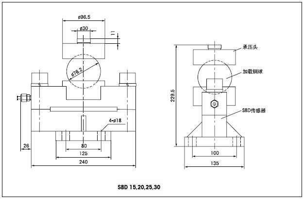
梅特勒托利多SBD-40稱重傳感器技術指標:
額定容量 t 10,20,25,30
SBD-40稱重傳感器靈敏度 mV/V 2±0.002
不重復性 %R.O. ≤0.01
滯后 %R.O. ≤±0.02
非線性 %R.O. ≤±0.02
蠕變(30分) %R.O. ≤±0.02
零點輸出 %R.O. ≤±1
溫度補償范圍 ℃ -10~+40
工作溫度范圍 ℃ -20~+65
靈敏度溫度系數 %Load/ ℃ ≤±0.002
零點溫度系數 %R.O./ ℃ ≤±0.002
輸入阻抗 Ω 772±4
輸出阻抗 Ω 700±1
絕緣電阻 MΩ ≥5000(直流50V)
建議激勵電壓 V(DC/AC) 5~15
最大激勵電壓 V(DC/AC) 20
安全過載 %R.C. 150
極限過載 %R.C. 300
防護等級 IP67
SBD-40稱重傳感器電纜長度 m 13
1) 可提供高溫傳感器,最高工作溫度為150℃。

托利多SBD-10T稱重傳感器,SBD-10T,SBD-10T稱重傳感器產品描述:
METTLER TOLEDO SBD傳感器產品描述:
SBD-10雙剪切梁橋式傳感器,容量10T,13M電纜
SBD-20雙剪切梁橋式傳感器,容量20T,13M電纜
SBD-25雙剪切梁橋式傳感器,容量25T,13M電纜
SBD-30 SBD-30(B)G 雙剪切梁橋式傳感器,容量30T,13M電纜
SBD-40雙剪切梁橋式傳感器,容量40T,13M電纜
SBD-50雙剪切梁橋式傳感器,容量50T,13M電纜
以下為推薦更多相關型號產品參數:
SBDH-10 ,SBDH-20 ,Mettler Toledo SBDH-25雙端梁稱重傳感器
SBD-20 SBD-30 Mettler Toledo SBD-25雙端梁稱重傳感器托利多
SBD-10T稱重傳感器_SBD-10T_mettler toledo傳感器
本站內容未經許可禁止復制轉載!©2002 廣州南創電子科技有限公司
聯系電話:020-82303306 公司傳真:020-82303511下班及雙休日請撥打各品牌負責人電話電話詳情
備案號: 粵ICP備11086172號-1