11年專業銷售工程師-徐工
15年專業銷售工程師-謝工
9年專業銷售工程師-王工
6年銷售工程師-張工
項目產品選型、技術指導高級電器工程師-李工
| 分類 | |
| 品牌 |
| 分類 | |
| 品牌 |
| 分類 | |
| 品牌 |
| 分類 |
|
| 品牌 |
|
優勢一:廣州南創是一家大型傳感器、儀器儀表、工業備品備件供應商!中國傳感器聯合會誠信“AAA”級成員,多家世界知名傳感企業中國市場開拓核心合作伙伴;
優勢二:完善的全國銷售服務網絡:12個區域辦事處、20個分公司、遍布全國的售后服務網點,為您及時便捷實現上門無憂售后服務;
優勢三:為國內多家知名大中型工業企業、航天工業企業提供國際工業自動化控制檢測設備及工業稱重系統和傳感器設備儀表,緊密依托中科院及清華大學的技術支持合作交流。技術、產品可靠值得信賴;
優勢四:鄭重承諾:三個月內產品有質量問題無條件退換貨;
優勢五:資深工程師為您提供全方位完善的一條龍銷售服務指導,售前專業方案設計、產品選型指導,售中安裝調試,售后三年上門免費跟蹤維修服務;
優勢六:全國優勢價格支持銷售,凡在我們公司購買產品,如果同類產品高于主流市場價格,我們雙倍補還差價,性價比高!
優勢七:我公司在國外設有7個境外專業采購中心,保證原裝進口,貨期快捷,價格具有優勢,可靠、放心
優勢八:我公司代理經銷169個品牌,全國同類產品系列全、品種多、多家知名企業中國合作伙伴代理。
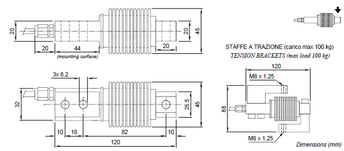
廣州南創專業供應意大利Laumas FCK系列稱重傳感器,【意大利Laumas FCK系列】保證貨期快捷,100%原裝正品,10年行業經驗專注高端高質傳感器服務,提供自動化完整解決方案。意大利Laumas FCK系列稱重傳感器相關型號:FCK-5Kg,FCK-10Kg

產品品牌:意大利Laumas FCK稱重傳感器,Laumas稱重傳感器
產品特點:
波紋管稱重傳感器
17-4 PH不銹鋼材質
防護等級:IP68
可選模塊、安裝附件
量程可選:5,10kg
應用:試驗機,料罐,料倉


FCK-5Kg,FCK-10Kg
LAUMAS Elettronica 公司自1984年起便進入工業稱重和配量的領域,為市場中的各個領域提供定制化產品。LAUMAS Elettronica公司內部擁有一個配置齊全的研究實驗室,通過充分分析客戶的需求,為客戶制造可靠和高精準度的產品,優勢在于良好的性價比,能夠符合國際國內的相關行業標準。 先進的電子系統能夠有效地管理所有生產工藝,提供有目標性的技術支持。 廣州銳拓多年來和 LAUMAS Elettronica公司保持良好的合作關系,擁有一手貨源渠道,直接從意大利采購,絕對的價格優勢和質量保證。
安裝注意事項:稱重傳感器電阻的測量數字萬用表的手段:- 從儀器(或放大器)斷開稱重傳感器,確保沒有造成冷凝水或滲入任何濕潤的水。如果是這樣,保持清潔系統或更換,如果必要的。- 正信號線和負信號線之間的值必須等于或一個類似于在負載單元數據片表示(輸出電阻)- 正激勵線和負勵磁線之間的值必須等于或一個類似于在稱重傳感器數據所指示片(輸入電阻)。- 在屏蔽和任何其他傳感器導線之間和任何其他傳感器導線和負載單元的主體之間的絕緣值必須高于20兆歐(兆歐姆)。稱重傳感器數字萬用表來測量電壓:- 取出負載小區中從容器下方進行測試,或者,解除容器支持。- 確保連接到儀器(或放大器)傳感器的兩根導線的激勵是5V直流+/- 3%(10V直流的儀器+/- 3%系列TPS / TPZ)。- 測量正和直接連接到萬用表的負信號線之間的信號中,確保有一個信號包括從0到+/-值為0.5mV(千分之一伏)。- 裝入電池,并確保有信號的增量。如果以上條件之一不滿足,請撥打技術援助服務。
以上是FCK-(5kg~10kg)意大利Laumas單點式稱重傳感器詳細信息,如果您對FCK-(5kg~10kg)意大利Laumas單點式稱重傳感器的價格、貨期、型號、庫存有什么疑問,歡迎撥打020-82303306獲取FCK-(5kg~10kg)意大利Laumas單點式稱重傳感器的最新價格詳情。
其他產品推薦有:
SA-60Kg、FCAX-30Kg波紋管稱重傳感器、TAL-5000Kg、TS2-500傳感器、
本站內容未經許可禁止復制轉載!©2002 廣州南創電子科技有限公司
聯系電話:020-82303306 公司傳真:020-82303511下班及雙休日請撥打各品牌負責人電話電話詳情
備案號: 粵ICP備11086172號-1