11年專業銷售工程師-徐工
15年專業銷售工程師-謝工
9年專業銷售工程師-王工
6年銷售工程師-張工
項目產品選型、技術指導高級電器工程師-李工
| 分類 | |
| 品牌 |
| 分類 | |
| 品牌 |
| 分類 | |
| 品牌 |
| 分類 |
|
| 品牌 |
|
優勢一:廣州南創是一家大型傳感器、儀器儀表、工業備品備件供應商!中國傳感器聯合會誠信“AAA”級成員,多家世界知名傳感企業中國市場開拓核心合作伙伴;
優勢二:完善的全國銷售服務網絡:12個區域辦事處、20個分公司、遍布全國的售后服務網點,為您及時便捷實現上門無憂售后服務;
優勢三:為國內多家知名大中型工業企業、航天工業企業提供國際工業自動化控制檢測設備及工業稱重系統和傳感器設備儀表,緊密依托中科院及清華大學的技術支持合作交流。技術、產品可靠值得信賴;
優勢四:鄭重承諾:三個月內產品有質量問題無條件退換貨;
優勢五:資深工程師為您提供全方位完善的一條龍銷售服務指導,售前專業方案設計、產品選型指導,售中安裝調試,售后三年上門免費跟蹤維修服務;
優勢六:全國優勢價格支持銷售,凡在我們公司購買產品,如果同類產品高于主流市場價格,我們雙倍補還差價,性價比高!
優勢七:我公司在國外設有7個境外專業采購中心,保證原裝進口,貨期快捷,價格具有優勢,可靠、放心
優勢八:我公司代理經銷169個品牌,全國同類產品系列全、品種多、多家知名企業中國合作伙伴代理。

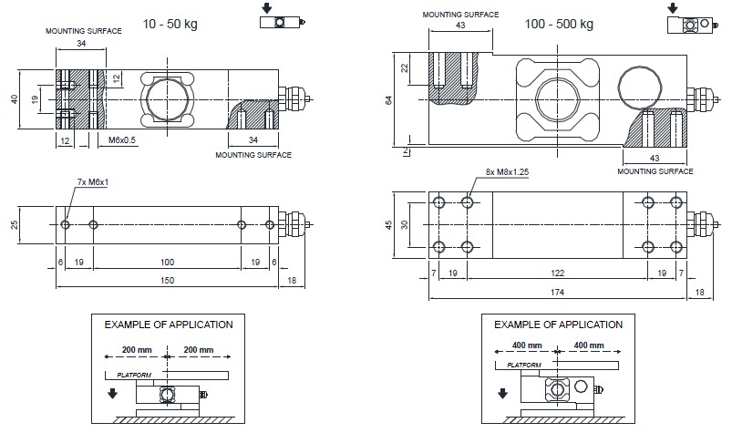
產品品牌:意大利Laumas AZL稱重傳感器,Laumas稱重傳感器
單點式稱重傳感器
鋁合金稱重傳感器
綜合誤差<+/ - 0.02%(0.013%C4)
防護等級IP65
最大秤臺尺寸:400x400 / 800x800 mm平臺的單點稱重傳感器
額定量程:10Kg、20Kg、50Kg、100Kg、200Kg、300Kg、500Kg
適用于臺秤,平臺秤,計量秤,包裝秤等場合
材料:17-4 PH不銹鋼
OIML R60精度等級| 驗證時間間隔:C3 • 3000 | C4 • 4000
額定負載(E max):10 、20、50、100 、200 、300、500 kg| 10 、20 、 50 kg
最小驗證間隔(V min):E max / 10000| E max / 40000
結合誤差:≤±0.02%| ≤±0.017%
防護等級:IP68
額定輸出:2 mV/V ±10%
溫度對零的影響:0.0017% °C
溫度對跨度的影響:0.0014% °C
補償溫度范圍:-10 °C / +40 °C
工作溫度范圍:-35 °C / +65 °C
30分鐘內標稱負載蠕變:0.02%
最大供電電壓無損壞:18 V
輸入電阻:350 Ω ±3.5
輸出電阻:350 Ω ±3.5
跨零點平衡:±2%
絕緣電阻:≥5000 MΩ
安全過載(滿標%):150%
極限過載(滿標%):300%
額定載荷撓度:0.5 mm

以上是AZLI-(10Kg、20Kg、50Kg、100Kg、200Kg、300Kg、500Kg)意大利Laumas單點式稱重傳感器詳細信息,如果您對AZLI-(110Kg、20Kg、50Kg、100Kg、200Kg、300Kg、500Kg)意大利Laumas單點式稱重傳感器的價格、貨期、型號、庫存有什么疑問,歡迎撥打020-82303306獲取AZL-(10kg~500Kg)意大利Laumas單點式稱重傳感器的最新價格詳情。
其他優勢產品有:SY電纜/鋼絲繩張力計、AWS-7000系列扭矩顯示器、IT系列扭矩傳感器ITIO-50、LS-36-LED固定式檢查頻閃儀、DT-725電池供電數字頻閃儀、BMX多功能扭矩傳感器、137-4張力傳感器、
本站內容未經許可禁止復制轉載!©2002 廣州南創電子科技有限公司
聯系電話:020-82303306 公司傳真:020-82303511下班及雙休日請撥打各品牌負責人電話電話詳情
備案號: 粵ICP備11086172號-1