11年專業銷售工程師-徐工
15年專業銷售工程師-謝工
9年專業銷售工程師-王工
6年銷售工程師-張工
項目產品選型、技術指導高級電器工程師-李工
| 分類 | |
| 品牌 |
| 分類 | |
| 品牌 |
| 分類 | |
| 品牌 |
| 分類 |
|
| 品牌 |
|
優勢一:廣州南創是一家大型傳感器、儀器儀表、工業備品備件供應商!中國傳感器聯合會誠信“AAA”級成員,多家世界知名傳感企業中國市場開拓核心合作伙伴;
優勢二:完善的全國銷售服務網絡:12個區域辦事處、20個分公司、遍布全國的售后服務網點,為您及時便捷實現上門無憂售后服務;
優勢三:為國內多家知名大中型工業企業、航天工業企業提供國際工業自動化控制檢測設備及工業稱重系統和傳感器設備儀表,緊密依托中科院及清華大學的技術支持合作交流。技術、產品可靠值得信賴;
優勢四:鄭重承諾:三個月內產品有質量問題無條件退換貨;
優勢五:資深工程師為您提供全方位完善的一條龍銷售服務指導,售前專業方案設計、產品選型指導,售中安裝調試,售后三年上門免費跟蹤維修服務;
優勢六:全國優勢價格支持銷售,凡在我們公司購買產品,如果同類產品高于主流市場價格,我們雙倍補還差價,性價比高!
優勢七:我公司在國外設有7個境外專業采購中心,保證原裝進口,貨期快捷,價格具有優勢,可靠、放心
優勢八:我公司代理經銷169個品牌,全國同類產品系列全、品種多、多家知名企業中國合作伙伴代理。
【廣州★南創】德國sartorius稱重傳感器由廠家授權【中國正式★一級總銷售商】德國sartorius PR6241/13C6稱重傳感器是本公司的重點優勢產品之一,找銷售二部獲取圖片,價格,選型等服務。歡迎致電全國熱線電話:020-28989913/82303306譚工,提供24小時網上咨詢。
我們鄭重承諾:“質保一年(三個月內出現質量問題退還全部貨款)。兩年提供維護!”

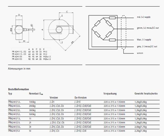
產品名稱:德國sartorius PR6241/13C6稱重傳感器
產品品牌:德國sartorius稱重傳感器
產品型號:PR6241/13C6
產品價格:人民幣(元)
德國sartorius PR6241/13C6稱重傳感器技術參數:
分類:是一款壓式稱重傳感器
精度:D1, C3, C6, OIML, NTEP
PR6241/13C6量程:100 kg ~ 5 t
操作溫度:-30℃ ~ +95℃
防護等級:IP68, IP69k, NEMA 6
認證:ATEX 0, 1, 2, 20, 21, 22區,FM, CSA, GOST
應用:罐秤、料斗秤、精密配料系統


德國HBM PR6241稱重傳感器所有型號:
PR6241/12D1E PR6241/13D1E PR6241/13C3E PR6241/13C6E PR6241/22D1E PR6241/22C3E PR6241/22C6E
PR6241/23D1E PR6241/23C3E PR6241/23C6E PR6241/32D1E PR6241/32C3E PR6241/32C6E PR6241/33D1E
PR6241/33C3E PR6241/33C6E PR6241/52D1E PR6241/52C3E PR6241/52C6E PR6241/53D1E PR6241/53C3E
除德國sartorius PR6241/13C6稱重傳感器其它熱銷型號:
德國sartorius PR1612/02稱重傳感器
德國sartorius PR6201/53L稱重傳感器
德國sartorius PR6201/24D1稱重傳感器
您想要獲取德國sartorius PR6241/13C6稱重傳感器的詳細信息,請登錄本公司官方網址:http://www.gcqdsjzx.com,保證一對一提供解決方案!
本站內容未經許可禁止復制轉載!©2002 廣州南創電子科技有限公司
聯系電話:020-82303306 公司傳真:020-82303511下班及雙休日請撥打各品牌負責人電話電話詳情
備案號: 粵ICP備11086172號-1