11年專業銷售工程師-徐工
15年專業銷售工程師-謝工
9年專業銷售工程師-王工
6年銷售工程師-張工
項目產品選型、技術指導高級電器工程師-李工
| 分類 | |
| 品牌 |
| 分類 | |
| 品牌 |
| 分類 | |
| 品牌 |
| 分類 |
|
| 品牌 |
|
優勢一:廣州南創是一家大型傳感器、儀器儀表、工業備品備件供應商!中國傳感器聯合會誠信“AAA”級成員,多家世界知名傳感企業中國市場開拓核心合作伙伴;
優勢二:完善的全國銷售服務網絡:12個區域辦事處、20個分公司、遍布全國的售后服務網點,為您及時便捷實現上門無憂售后服務;
優勢三:為國內多家知名大中型工業企業、航天工業企業提供國際工業自動化控制檢測設備及工業稱重系統和傳感器設備儀表,緊密依托中科院及清華大學的技術支持合作交流。技術、產品可靠值得信賴;
優勢四:鄭重承諾:三個月內產品有質量問題無條件退換貨;
優勢五:資深工程師為您提供全方位完善的一條龍銷售服務指導,售前專業方案設計、產品選型指導,售中安裝調試,售后三年上門免費跟蹤維修服務;
優勢六:全國優勢價格支持銷售,凡在我們公司購買產品,如果同類產品高于主流市場價格,我們雙倍補還差價,性價比高!
優勢七:我公司在國外設有7個境外專業采購中心,保證原裝進口,貨期快捷,價格具有優勢,可靠、放心
優勢八:我公司代理經銷169個品牌,全國同類產品系列全、品種多、多家知名企業中國合作伙伴代理。
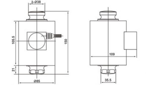
【廣州★南創】供應美國柯力稱重傳感器ZSNC-A-30T,ZSNC-A-30T稱重傳感器原裝進口,品質質量好,精度高耐用度強!強烈推薦性價比最高的ZSNC-A-30T傳感器
ZSNC-A-30T功能特點:
柱式傳感器
高精度
合金鋼結構;全焊接密封;安裝簡便、快速;高穩定性
ZSNC-A-30T技術參數及特點:
極限過載: 為額定載荷的180%
結構:全懸浮結構專利結構
儲存溫度: -20 ~ 80 °C (-4 ~ 176°F))
柯力ZSNC-A-30T傳感器內部可選擇三種額定電壓 110/330/380VAC 頻率 50/60Hz 單相
ZSNC-A-30T傳感器溫差穩定度: 每3°C變化 , 電壓漂移0.03%
零點誤差:±0.5% F·S;0.3%. 0.1%
長期穩定性 0.3%FS/年;
分辨率:2/3個字 校正點:多達8點
相對精度: 全量程±0.5%(單價離子)? 全量程±1%(兩價離子)
ZSNC-A-30T稱重傳感器傳感器作業中所涉及的溫度檢測器電路板(顏色高亮的部分)只是整個系統的一小部分。不過,觀察一下如何將晶體管偏置點的變化運用于類似這種情況很有趣。盡管系統的數字分沒有包括在內,但是它們表明一個典型的系統具有各種不同類型的單元。
ZSNC-A-30T傳感器輸入通道1:4-30mA; 輸入通道 3:4-30mA;輸入通道3:4-30mA;輸出通道1:4-30mA;工作電源:34VDC
溫度漂移:0.03%FS/°C;
輔助電源:5VDC,13VDC,15VDC,34VDC等單電源供電
工作頻率:在200HZ-500HZ之間
安全過載: 為額定載荷的120%
靈敏度: 3.0mV/V
輸出阻抗1402 ±5Ω
ZSNC-A-30T傳感器顯示指示器: 4段電池壽命指示器加壓力計定時器、背光定時器、皮重、最小和最大值專用圖標
電源要求:18 - 30VDC最大600mA180 - 230VAC最大2.5W100VAC
ZSNC-A-30T傳感器工作壓力可達400BAR ,范圍從0 - 10bar到0 - 2200bar ,增量動力W0.5接口
ZSNC-A-30T傳感器接口:SATA/IDE接口:1×SATA-II接口1×40PIN IDE接口
電源功耗:CLE266/1G不加PCI設備50W
相對濕度:0~90%,系統無冷凝
溫度補償范圍(℃) -10 ~ +40
輸入阻抗 (Ω) 700±7 結構材料: 外殼 鑄鋁合金 外殼材料軍綠色環氧樹脂
所有通道4毫安-20mA或1V- 5V ,電流和電壓信號 最大激勵電壓:15VDC
沖擊:ZSNC-A-30T傳感器D-202G方法213 B
ZSNC-A-30T傳感器; DI / DO最大1008點, AI / AO最大248點, 40針前連接器(可選)<5%非線性負載浪涌保護IEC60664- 1Levellv防護等級IP21通信和管理接口類型串行/干接點/ SNMP的Web / SNMP
熱賣型號:
ZSNC-50kg,ZSNC-100kg,ZSNC-200kg,ZSNC-250kg,ZSNC-500kg,ZSNC-750kg
ZSNC-1000kg,ZSNC-2000kg。ZSNC-A-50kg,ZSNC-A-100kg,ZSNC-A-200kg
ZSNC-A-250kg,ZSNC-A-500kg,ZSNC-A-750kg,ZSNC-A-1000kg,ZSNC-A-2000kg。
廣州南創熱賣的儀表、控制器:
LDU 68.1數字模塊 LDU 68.2數字模塊 LDU 69.1數字模塊
LDU 78.1數字模塊 FAA24變送器 LAU 63.1變送器
LAU 73.1變送器 LAC 65.1變送器 LAC 74.1變送器
LCT-01托利多傳感器測試儀表 KA-1接線盒 KA-4接線盒 KAEX-4接線盒
DFWKR MAXI DGT60 TRSXP-3590XP TRSXT-3590XT AE 702AE
903BA 601BS 80 DI 301DI 301DPFI 402KMG 702-5MLE-FRAG
701XKC 115Mod SA01Mod SD01/SD01(A+B)Mod SD03Mod SU01Mod
T01Mod TL01 TPS-JOLLYTPS,WE RS485,JOLLY,P-WI,PWS WG60
廣州南創熱賣的柯力傳感器型號:
BSJ/BSJ-A稱重傳感器,適用于軌道衡、料斗秤等。型號有:BSJ/BSJ-A-0.5t,BSJ/BSJ-A-2t,BSJ/BSJ-A-3t。
柯力 BSK-A稱重傳感器,適用于鋼包秤、天車秤等。型號有:BSK-A-10t,BSK-A-15t,BSK-A-20t,BSK-A-30t,BSK-A-40t,BSK-A-50t,BSK-A-60t。
BSP-A稱重傳感器,適用于輕軌軌道衡。型號有:BSP-A-5t。
柯力 BSPG-A稱重傳感器,適用于輕軌軌道衡。型號有:BSPG-A-5t。
GG-A稱重傳感器,適用于鋼包秤、軌道衡、天平秤。型號有:GG-A-2t,GG-A-5t,GG-A-10t,GG-A-15t,GG-A-20t,GG-A-30t,GG-A-40t,GG-A-50t,GG-A-80t,GG-A-100t。
柯力 GGB-A稱重傳感器,適用于輕軌軌道衡。型號有:GGB-A-5t。
BTL-A稱重傳感器,適用于各種軌道衡。型號有:BTL-A-15t。
柯力 BTG-A稱重傳感器,適用于各種軌道衡。型號有:BTG-A-12.5t,BTG-A-30t。
BTGE稱重傳感器,適用于各種軌道衡。型號有:BTGE-3t。
BTKB稱重傳感器,適用于吊鉤秤、拉式測力裝置。型號有:BTKB-800kg。
柯力 BT-A稱重傳感器,適用于天車秤等。型號有:BT-A-10t,BT-A-15t,BT-A-20t。
SCE-A稱重傳感器,適用于鋼絲繩、過載報警場合及張力稱重裝置。型號有:SCE-A-3t。
XZB稱重傳感器,適用于各種安全限制專用。型號有:XZB-3t。
XZB/-SS稱重傳感器,適用于各種軌道衡。型號有:XZB/-SS-25t。
GGH-A稱重傳感器,適用于輕軌軌道衡。型號有:GGH-A-2t,GGH-A-2.5t,GGH-A-3t,GGH-A-5t。
以上信息是柯力ZSNC-A-30T稱重傳感器的簡單介紹,如果您對柯力ZSNC-A-30T稱重傳感器的產品特性、型號參數、量程、價格廠家有需要了解的地方,請務必認準中國正式一級供應商【廣州南創】獲取傳感器ZSNC-A-30T的最新產品相關信息。
本站內容未經許可禁止復制轉載!©2002 廣州南創電子科技有限公司
聯系電話:020-82303306 公司傳真:020-82303511下班及雙休日請撥打各品牌負責人電話電話詳情
備案號: 粵ICP備11086172號-1