11年專業銷售工程師-徐工
15年專業銷售工程師-謝工
9年專業銷售工程師-王工
6年銷售工程師-張工
項目產品選型、技術指導高級電器工程師-李工
| 分類 | |
| 品牌 |
| 分類 | |
| 品牌 |
| 分類 | |
| 品牌 |
| 分類 |
|
| 品牌 |
|
優勢一:廣州南創是一家大型傳感器、儀器儀表、工業備品備件供應商!中國傳感器聯合會誠信“AAA”級成員,多家世界知名傳感企業中國市場開拓核心合作伙伴;
優勢二:完善的全國銷售服務網絡:12個區域辦事處、20個分公司、遍布全國的售后服務網點,為您及時便捷實現上門無憂售后服務;
優勢三:為國內多家知名大中型工業企業、航天工業企業提供國際工業自動化控制檢測設備及工業稱重系統和傳感器設備儀表,緊密依托中科院及清華大學的技術支持合作交流。技術、產品可靠值得信賴;
優勢四:鄭重承諾:三個月內產品有質量問題無條件退換貨;
優勢五:資深工程師為您提供全方位完善的一條龍銷售服務指導,售前專業方案設計、產品選型指導,售中安裝調試,售后三年上門免費跟蹤維修服務;
優勢六:全國優勢價格支持銷售,凡在我們公司購買產品,如果同類產品高于主流市場價格,我們雙倍補還差價,性價比高!
優勢七:我公司在國外設有7個境外專業采購中心,保證原裝進口,貨期快捷,價格具有優勢,可靠、放心
優勢八:我公司代理經銷169個品牌,全國同類產品系列全、品種多、多家知名企業中國合作伙伴代理。
【廣州★南創】:西班牙尤梯爾稱重傳感器MOD650-7500KG,高工020-82303306。
產品名稱:MOD650-7500KG,西班牙尤梯爾 MOD650-7500KG稱重傳感器,尤梯爾 MOD650-7500KG傳感器
產品型號:MOD650-200kg,MOD650-250kg,MOD650-500kg,MOD650-7500KG,MOD650-5000kg,MOD650-7500kg
產品品牌:西班牙尤梯爾傳感器
產品類型:尤梯爾稱重傳感器
尤梯爾 MOD650-7500KG稱重傳感器技術特點:
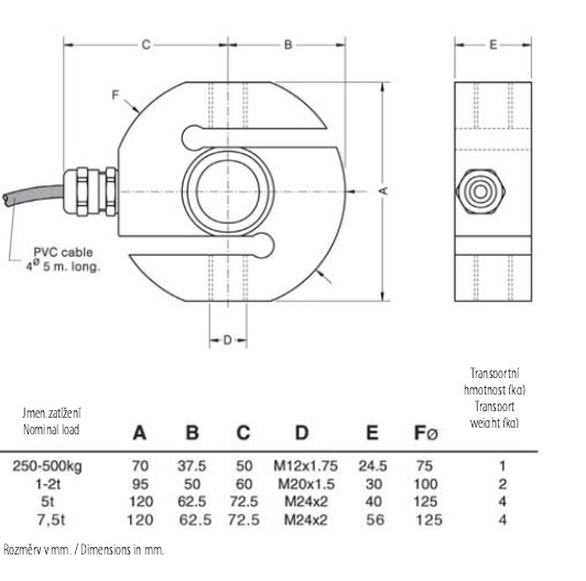
250 - 500 - 1000 - 2000 - 5000 - 7500千克
Célula CARGA tracción/compresión
CONSTRUCCION阿塞羅inoxidable
Herméticamentesoldada,PROTECCION IP 68(EN60529)
3000 divisiones O.I.M.L.R60長C
Disponible版本ATEX(opcional)透明0-1-2(氣)Y20-21-22(波爾沃)
通過TE12,TE20,TE24 250千克:2000N。 OIML
廣州南創除MOD650-7500KG稱重傳感器之外的其它產品:帶加熱器,筒形加熱器,稱重傳感器,舒適取暖器,控制器,儀表及開關、壓力傳感器,柔性加熱器,通用測試與測量、儀器,加熱器連接埠線,發熱電纜系統,浸入式加熱器,處理空氣和管道,位移傳感器,輻射式取暖器,電熱絲式加熱空氣速度指示器,多普勒流量計,液位測量,電磁流量計,質量流量計皮托管,力傳感器,轉子流量計,渦輪機和水車流量計,超聲波流量計,閥,扭矩傳感器,渦街流量計通訊產品及轉換器,數據采集和分析軟件,數據記錄儀插卡,信號調理器,USB,RS232,RS485,與并行端口數據采集系統,發射器和接收器
尤梯爾 MOD650-7500KG傳感器選型指南:
容量(磅) A B C D E
5 K到10 K 140 ( 5.50 ) 32 ( 1.25 ) 76 ( 3.00 ) 76 ( 3.00 ) 1-14 NS
20 K到50千165 ( 6.50 ) 51 ( 2.00 ) 64 ( 2.50 ) 76 ( 3.00 ) 11/2-12 UNF
75 K到100 K時200 ( 7.88 ) 64 ( 2.53 ) 72 ( 2.84 ) 76 ( 3.00 ) 21/4-12
150 K至200 K, 260 ( 10.25 ) 83 ( 3.25 ) 95 ( 3.75 ) 102 ( 4.10 ) 3-8
250 ?300 K范圍323 ( 12.75 ) 114 ( 4.50 ) 95 ( 3.75 ) 141 ( 5.56 ) 4-8
400 K到600 K表381 ( 15.00 ) 142 ( 5.63 ) 95 ( 3.75 ) 168 ( 6.63 ) 5-8
750 K至1,000 K 444 ( 17.50 ) 168 ( 6.63 ) 108 ( 4.25 ) 219 ( 8.63 ) 6-8
訂貨(指定型號) 1.8米( 6英尺)電纜或帶整體連接器型容量電纜類型CONN,樣式價格相容計量**
5000磅2269公斤LC702 -5K LC712 -5K 645美元干粉吸入劑, DP41 -S , DP25B -S
萬磅4537千克LC702 -10K LC712 -10K 645的DPI , DP41 -S , DP25B -S
20000磅9074公斤LC702 -20K LC712 -20K 645的DPI , DP41 -S , DP25B -S *
30000磅13612千克LC702 -30K LC712 -30K 645的DPI , DP41 -S , DP25B -S *
50000磅22686千克LC702 - 50K LC712 - 50K 645的DPI , DP41 -S , DP25B -S *
100000磅45372公斤LC702 -100K LC712 -100K 995的DPI , DP41 -S , DP25B -S *
150000磅68058公斤LC702 -150K LC712 -150K 995的DPI , DP41 -S , DP25B -S *
200000磅90744千克LC702 -200K LC712 -200K 1200的DPI , DP41 -S , DP25B -S *
300000磅136116公斤LC702 -300K LC712 -300K 1650的DPI , DP41 -S , DP25B -S *
500000磅226860公斤LC702 -500K LC712 -500K †干粉吸入劑, DP41 -S , DP25B -S *
西班牙尤梯爾 MOD650-7500KG傳感器
MOD650-5kg MOD650-10kg MOD650-25kg MOD650-50kg MOD650-75kg MOD650-100kg MOD650-7500KG MOD650-7500KG MOD650-750kg MOD650-1t MOD650-1.5t MOD650-2t MOD650-2.5t MOD650-5t MOD650-7.5t MOD650-10t MOD650-20t MOD650-50kgSS MOD650-75kgSS MOD650-100kgSS MOD650-7500KGSS MOD650-7500KGSS MOD650-750kgSS .MOD650-1tSS MOD650-1.5Tss MOD650-2Tss MOD650-2.5tSS MOD650-5tSS MOD650-7.5tSS MOD650-10tSS MOD650-20t MOD650-50 lb MOD650-100 lb MOD650-150 lb MOD650-200 lb MOD650-300 lb MOD650-500 lb MOD650-750 lb MOD650-1K lb MOD650-1.5K lb MOD650-2K lb MOD650-2.5K lb MOD650-3K lb MOD650-5K lb MOD650-7.5K lb MOD650-10K lb MOD650-15K lb MOD650-30K lb MOD650-40K lb MOD650-50kgXS MOD650-75kgXS MOD650-100kgXS MOD650-7500KGXS MOD650-7500KGXS MOD650-750kgXS

聲明:以上產品信息均來自網上公開信息轉載。
本站內容未經許可禁止復制轉載!©2002 廣州南創電子科技有限公司
聯系電話:020-82303306 公司傳真:020-82303511下班及雙休日請撥打各品牌負責人電話電話詳情
備案號: 粵ICP備11086172號-1