" />
11年專業銷售工程師-徐工
15年專業銷售工程師-謝工
9年專業銷售工程師-王工
6年銷售工程師-張工
項目產品選型、技術指導高級電器工程師-李工
| 分類 | |
| 品牌 |
| 分類 | |
| 品牌 |
| 分類 | |
| 品牌 |
| 分類 |
|
| 品牌 |
|
優勢一:廣州南創是一家大型傳感器、儀器儀表、工業備品備件供應商!中國傳感器聯合會誠信“AAA”級成員,多家世界知名傳感企業中國市場開拓核心合作伙伴;
優勢二:完善的全國銷售服務網絡:12個區域辦事處、20個分公司、遍布全國的售后服務網點,為您及時便捷實現上門無憂售后服務;
優勢三:為國內多家知名大中型工業企業、航天工業企業提供國際工業自動化控制檢測設備及工業稱重系統和傳感器設備儀表,緊密依托中科院及清華大學的技術支持合作交流。技術、產品可靠值得信賴;
優勢四:鄭重承諾:三個月內產品有質量問題無條件退換貨;
優勢五:資深工程師為您提供全方位完善的一條龍銷售服務指導,售前專業方案設計、產品選型指導,售中安裝調試,售后三年上門免費跟蹤維修服務;
優勢六:全國優勢價格支持銷售,凡在我們公司購買產品,如果同類產品高于主流市場價格,我們雙倍補還差價,性價比高!
優勢七:我公司在國外設有7個境外專業采購中心,保證原裝進口,貨期快捷,價格具有優勢,可靠、放心
優勢八:我公司代理經銷169個品牌,全國同類產品系列全、品種多、多家知名企業中國合作伙伴代理。
美國傳力DBSL-30T傳感器更多更詳細信息,請點擊:美國傳力稱重傳感器,瀏覽傳力 DBSL-30T稱重傳感器詳細技術參數及相關系列產品型號等信息。
DBSL-30T稱重傳感器產品性能特點描述:
傳力DBSL-30T稱重傳感器產品圖片:

產品品牌:美國傳力稱重傳感器
產品型號:DBSL-30T
產品類型: 稱重傳感器系列
產品名稱:美國傳力 DBSL-30T稱重傳感器
特性:根據測量對象和測量環境的補償的范圍廣泛、工作溫度,以及絕佳的溫度補償讓用戶可在溫度經常變化,能夠準確地測量室溫的各種500度-200度的溫度條件下的氣體和液體流量,DBSL-30T傳感器的定量指標,超過使用期限的穩定性,在使用前重新校準確定傳感器的變化的性能。
美國傳力DBSL-30T稱重傳感器相關技術參數:
DBSL-30T溫度過程:-40~120 ℃ °C壓力過程:4~20mA 0~10mA DC )MPa
:FS≤±1.5%的結余為零
模擬量采集模塊子-5V 〜 +5 V ,0 〜 5V,0V 〜 10V
溫度補償范圍-10ºC to + 40ºC
輸出形式 1、電流輸出: 4~20mA 0~10mA DC 2、電壓輸出:0~5V 1~
長期穩定性:小于0.3%FS/年
長期穩定性:小于0.3%FS/年
可用溫度范圍-10ºC to + 70ºC
DBSL-30T測量介質: 非腐蝕性氣體等介質。
ADC1和ADC2輸入信號范圍為0〜 VREF ( VREF值2.5V
傳感器的頻率實際上的總響應的傳感器 - 給定的延遲,延遲時間希望盡可能的短NPN集電極開路 。
應根據信號的負載電阻:三線制 R=(U-8.5)/20 KΩ 二線制 R=(U-12)/20 KΩ
環境溫度工作:-25~+70℃;存貯:-40~+80
測量介質: 非腐蝕性氣體等介質。
Q測量結果與流速分布,流體壓力,溫度、密度、粘度等物理參數無關
轉換器使用最新和最先進的單芯片和表面貼裝技術,性能穩定可靠。
信息模塊高輸出電源(1+1 PSU) 1000瓦
80°C的溫度
輸出電壓將不會達到最大輸入電壓: <+60℃、<+120℃、<+200℃
推薦激勵電壓V5〜12
DBSL-30T稱重傳感器輸出形式 1、電流輸出: 4~20mA 0~10mA DC 2、電壓輸出:0~5V 1~
測量范圍: 0~310Pa -600Pa~500Pc 3~4.7lqc
輸出電壓將不會達到最大輸入電壓: <+60℃、<+120℃、<+200℃
微調 ±5%,通過多圈電位計調節
DBSL-30T負載能力:電流型≤100mS電壓型 ≥100KW
工作溫度范圍: -40~80℃
精度等級: 典型±0.25%FS,最大±0.5%FS (包含非線化、遲滯性和重復性
DBSL-30T稱重傳感器進氣壓力:5 bar以上(1bar =1.01972kg/cm2 =14.5038psi):110/220VAC過載能力:量程的2~5倍
輸出電阻Ω700±7
控制方式:常閉、常開
存貯溫度: -40~120 ℃
輸入電阻Ω700±7
DBSL-30T稱重傳感器濕度≤90%RH,不結露,無腐蝕性氣體場所
安全載荷150%
配器內部儀表基備大于7ppm/℃;熱電阻,熱電偶,直流mV輸出。
DBSL-30T輸出信號4—20mA(二線制)或 0—10mA(三線制)5V DC可提供±10 inH2O ~ ±15 psi的量程。
根據接近實際溫度的測量值時,必須予以糾正的散熱系數,
勵磁最大V18
技術參數圖:

DBSL-30T逆變器電路的操作的比率調整為0〜 2.5V ,在有更多的差分信號,高頻率響應的的溫度測量方法的基礎上的輻射強度作為溫度的函數來校準溫度值的對象。從而能夠減少所產生的影響。
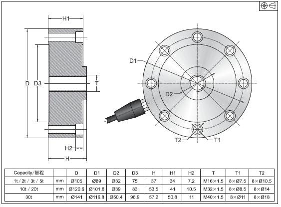
產品尺寸圖:

除DBSL-30T稱重傳感器之外的其它相關產品及型號:
B9C-C3-60K-9B稱重傳感器★報價
BM6A-C3-6kg-6B6★報價
BSS-200kg★價格
下一篇:QSJ-3t稱重傳感器_寧波柯力
本站內容未經許可禁止復制轉載!©2002 廣州南創電子科技有限公司
聯系電話:020-82303306 公司傳真:020-82303511下班及雙休日請撥打各品牌負責人電話電話詳情
備案號: 粵ICP備11086172號-1