德國HBM傳感器RTNC3/220t 1-RTNC3/220t
德國HBM RTNC3/220t傳感器更多產品詳細資料請點擊:
HBM傳感器,
進入頁面可查找HBM傳感器型號、HBM稱重傳感器技術參數選型資料,以及HBM扭矩傳感器具體安裝技術指導信息。POc廣州南創電子科技有限公司名稱:德國HBM RTNC3/220t稱重傳感器
POc廣州南創電子科技有限公司品牌:德國HBM
POc廣州南創電子科技有限公司供應商:
廣州南創電子科技有限公司POc廣州南創電子科技有限公司購買德國HBM 1-RTNC3/220t稱重傳感器請務必認準【廣州★南創】銷售商官網,全國服務電話:020-82303306,我們鄭重承諾:“三個月內不滿意隨時無條件退換貨,退還全部貨款,不收任何費用,質保兩年,提供終身免費維護!”POc廣州南創電子科技有限公司產品型號:RTNC3/220t稱重傳感器
POc廣州南創電子科技有限公司產品系列:RTN稱重傳感器
POc廣州南創電子科技有限公司產品規格:多個規格可選)
POc廣州南創電子科技有限公司
POc廣州南創電子科技有限公司德國HBM RTNC3/220t稱重傳感器特性:POc廣州南創電子科技有限公司額定量程: 1t 到470t
POc廣州南創電子科技有限公司精度等級: C3
POc廣州南創電子科技有限公司不銹鋼材料高精度高信噪比,由于采用了 2.85 mV / V 輸出信號
POc廣州南創電子科技有限公司由于采用環形應變片特殊設計,可對橫向載荷進行優異補償
POc廣州南創電子科技有限公司高輸入電阻 (>4,350 ohms) 確保更小的電流損耗
POc廣州南創電子科技有限公司貿易秤稱重系統,最高 3,000 d (OIML R60)
POc廣州南創電子科技有限公司IECEx-ATEX 型號可用于可能爆炸性的環境中使用。IECEx-ATEX 型號可用于可能爆炸性的環境中使用,并可配置不同的電纜長度和電纜類型以及連接插頭。
POc廣州南創電子科技有限公司德國HBM 1-RTNC3/220t傳感器量程:POc廣州南創電子科技有限公司1-RTNC3/1t;1-RTNC3/2.2t;1-RTNC3/4.7t;1-RTNC3/10t;1-RTNC3/15t;1-RTNC3/22t;1-RTNC3/33t;1-RTNC3/47t;1-RTNC3/68t;1-RTNC3/100t;1-RTNC3/150t;1-RTNC3/220t;1-RTNC3/330t;1-RTNC3/470t
POc廣州南創電子科技有限公司其他品牌產品推薦如下:POc廣州南創電子科技有限公司Laumas稱重傳感器POc廣州南創電子科技有限公司SUNCELLS稱重傳感器POc廣州南創電子科技有限公司自動化稱重配料控制系統POc廣州南創電子科技有限公司稱重顯示控制儀表POc廣州南創電子科技有限公司自動配料系統POc廣州南創電子科技有限公司HBM力傳感器POc廣州南創電子科技有限公司德國HBM稱重傳感器RTNC3/220t產品技術參數圖:POc廣州南創電子科技有限公司

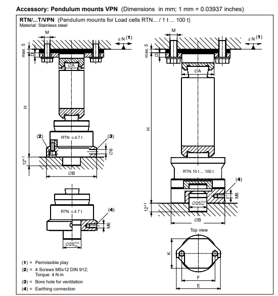
POc廣州南創電子科技有限公司德國HBM傳感器1-RTNC3/220t產品尺寸圖:POc廣州南創電子科技有限公司
POc廣州南創電子科技有限公司
POc廣州南創電子科技有限公司HBM傳感器相關型號整理如下:POc廣州南創電子科技有限公司PW24AD1/50KG PW24AD1/100KG PW24AD1/150KG PW24AD1/200KG
POc廣州南創電子科技有限公司PW24AD1/250KG PW24AD1/300KG PW24AD1/500KG PW24AD1/635KG PW24AC3/50KG
POc廣州南創電子科技有限公司PW24AC3/100KG PW24AC3/150KG PW24AC3/200KG PW24AC3/250KG PW24AC3/300KG
POc廣州南創電子科技有限公司PW24AC3/500KG PW24AC3/635KG
POc廣州南創電子科技有限公司SP4D1/1KG SP4D1/3KG SP4D1/5KG SP4D1/7KG SP4D1/10KG
POc廣州南創電子科技有限公司SP4D1/15KG SP4D1/20KG SP4D1/30KG SP4D1/50KG SP4D1/75KG
POc廣州南創電子科技有限公司SP4D1/100KG SP4D1/200KG SP4C3/1KG SP4C3/3KG SP4C3/5KG
POc廣州南創電子科技有限公司SP4C3/7KG SP4C3/10KG SP4C3/15KG SP4C3/20KG SP4C3/30KG
POc廣州南創電子科技有限公司SP4C3/50KG SP4C3/75KG SP4C3/100KG SP4C3/200KG
POc廣州南創電子科技有限公司德國HBM稱重傳感器RTNC3/220t相關知識拓展閱讀:POc廣州南創電子科技有限公司德國HBM RTNC3/220t稱重傳感器使用安裝說明
POc廣州南創電子科技有限公司如果HBM RTNC3/220t傳感器破損會造成人身傷害或設備損壞,用戶必須采取適當的安全措施(如防止跌落、倒塌或過載的安全裝置)。為了HBM 1-RTNC3/220t稱重傳感器安全無故障運行,HBM 1-RTNC3/220t傳感器不僅必須正確運輸、儲存、定位和安裝,還必須小心操作和維護。
POc廣州南創電子科技有限公司德國HBMRTNC3/220t稱重傳感器必須遵守相關的事故預防法規。特別是,你應該考慮德國HBMRTNC3/220t傳感器使用規范中引用的極限載荷。
POc廣州南創電子科技有限公司德國HBM1-RTNC3/220t稱重傳感器專為計量應用而設計。用于任何其他目的都將被視為不合適。
POc廣州南創電子科技有限公司為了安全起見,德國HBM1-RTNC3/220t傳感器只能按照安裝說明中的描述進行操作。在RTNC3/220t HBM稱重傳感器使用過程中,還必須遵守相關應用的法律和安全要求。這同樣適用于HBM RTNC3/220t HBM傳感器配件的使用。
POc廣州南創電子科技有限公司HBM 1-RTNC3/220t HBM稱重傳感器可用作機器元件(例如,用于容器和料倉稱重)。在這些情況下,您必須確保為了獲得HBM 1-RTNC3/220t HBM傳感器更高的靈敏度,稱重傳感器不是按照機器設計中常見的安全系數制造的。RTNC3/220t德國HBM稱重傳感器不是適當使用意義上的安全元件。調節測量信號的電子設備的布局應該使得測量信號故障不會造成損壞。
POc廣州南創電子科技有限公司如果未經培訓的人員不恰當地安裝和操作RTNC3/220t德國HBM傳感器,可能會產生其他危險。
POc廣州南創電子科技有限公司POc廣州南創電子科技有限公司以上是
德國HBM 1-RTNC3/220t稱重傳感器產品相關銷售商官網、
RTNC3/220t稱重傳感器廠家電話、
HBM RTNC3/220t稱重傳感器型號類別技術參數選型安裝等資料信息,如果有關HBM傳感器其他相關方面需要,可直接電話聯系
德國HBM 1-RTNC3/220t傳感器相關負責工程師咨詢020-82303306。
POc廣州南創電子科技有限公司【廣州
★南創
】:銷售
德國HBM傳感器RTNC3/220t【銷售商】價格好320元,電話020-82303306可了解
HBM稱重傳感器1-RTNC3/220t多少錢中國官網、廠家、及產品報價等信息" 。
POc廣州南創電子科技有限公司